NSIP1042-DSWTR CAN transceiver with integrated isolated power DC-DC converter
NSIP1042-DSWTR CAN transceiver with integrated isolated power DC-DC converter
Couldn't load pickup availability

Product Introduction
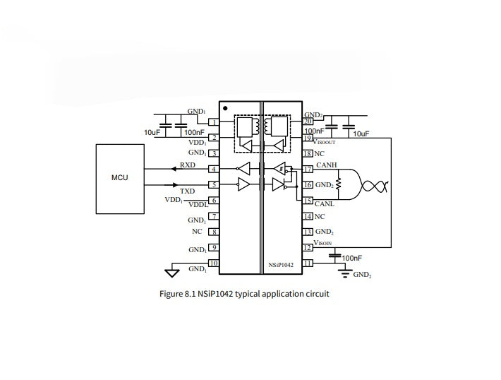
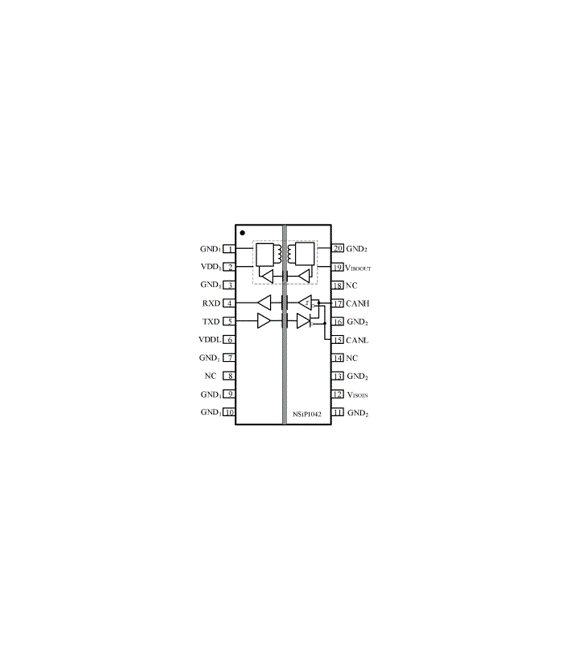
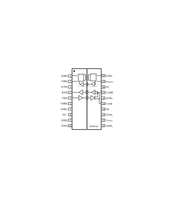
NSIP1042 is a high-reliability CAN transceiver with integrated isolated DC-DC power supply. The feedback PWM signal is transmitted to the primary side by a digital isolator based on NOVOSENSE capacitance isolation technology. Highly integrated solutions simplify system design and improve reliability. NSIP1042 is UL1577-qualified for safety and supports 5kVrms insulation voltage. The bus pins on the bus side of the NSIP1042 is designed with ±5kV ESD protection to GND2 at system level. NSIP1042 support data rate of up to 5Mbps, allowing up to 110 transceivers to be connected to the bus, while providing thermal protection and explicit timeout protection for transmission data.
Product Features
1.Insulation voltage up to 5000Vrms
2.Integrated isolated DC-DC power supply provided
3.Supply voltage: 4.5V to 5.5V
4.Over current and over heat protection
5.High CMTI:150kV/us
6.Data transmission rate: 5Mbps
7.Supporting 110 transceivers
8.High system-level EMC performance: Bus pins conform to IEC61000-4-2±5kV ESD
9.Isolated grid life: >60 years
10.Operation temperature: -40℃~105℃
11.RoHS compliant package: SOW20
Application
1.Industrial automation system
2.Smart power metering and water meters
3.Security and surveillance systems
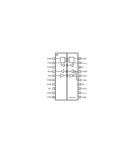
Functional Block Diagram


